首頁
關于(yú)我們
産品(pin)展示
新聞(wen)資訊
公司(si)新聞
行業(ye)新聞
信息(xī)公示
招賢(xian)納士
聯系(xì)我們
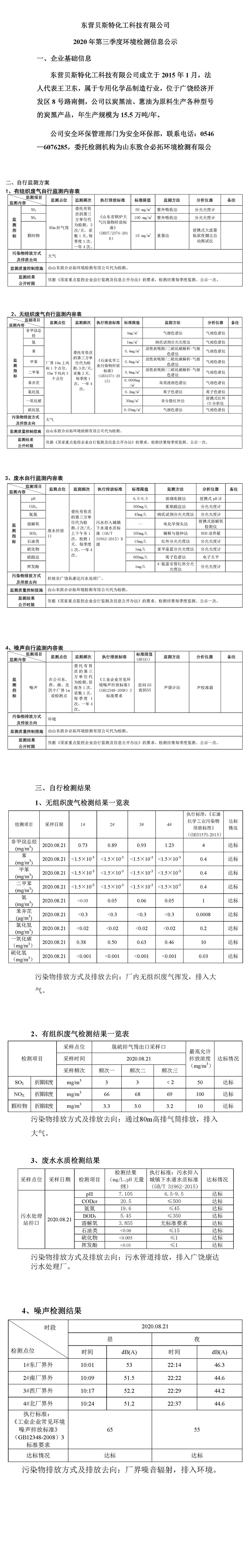
2020年第(dì)三季度環(huan)境公示
2025-12-18
上(shang)一篇:土壤(rang)信息公示(shi)
下一篇:公(gong)司年産2萬(wan)噸特種工(gong)業炭黑項(xiàng)目環境影(ying)響評價第(dì)一次公示(shi)
总(zǒng) 公 司
急 速(su) 版
WAP 站
H5 版
无(wu)线端
AI 智能(néng)
3G 站
4G 站
5G 站
6G 站(zhàn)